Bayer, Germany Improved Hot-Water Hygiene & Control with Jet Pump Mixing

  • Capacity Increase

  • 1 - 100% Stable Control

  • Fast Response

  • Stable Primary Pressures

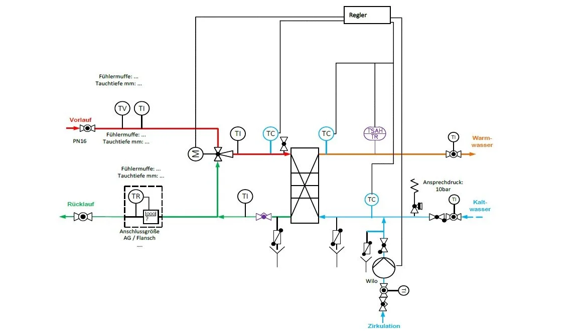
In pharmaceutical facilities, hot-water must stay safe, stable, & energy-efficient across widely fluctuating demand. At Bayer’s site in eastern Germany, the team adopted a flow-through hot-water heating system with jet pump (Jetomat) mixing control to upgrade performance & reliability.

The Challenge

Traditional systems that pair drinking-water storage tanks with choke-type control valves tend to run the heat exchanger at the full primary temperature in all load conditions. High inlet temperatures stress materials, encourage calcification, & make stable regulation at low nighttime loads difficult—especially where hygiene & precise temperature control are mandatory.

Case study for pharma industry

The Solution

Bayer implemented a flow-through principle for hot-water preparation combined with primary-side mixing control via a jet pump. Instead of sending the supplier’s high network temperature straight to the heat exchanger, the jet pump (Jetomat) mixes to the temperature actually required for heat transfer. In partial load, the system recirculates ≈9× more water across the heat-exchanger surface than a standard choke circuit, maintaining good heat transfer even during nightly minimum circulation & stabilizing lower return temperatures. Mixing control can be realized without circulation pumps by using the distribution network’s differential pressure & the jet pump’s injection effect.

The Results

  • Lower material stress on the heat exchanger thanks to reduced inlet temperatures.

  • Less calcification due to moderated primary temperature at the exchanger.

  • Higher circulating capacity on the primary side in partial load for reliable heat transfer.

  • Stable control from 1–100% load, with fast reactions via cascade control.

  • Compensation of pressure fluctuations in the supplier’s primary network.

  • Simplified hydraulics through jet-pump based mixing.

Steam saving solution for pharma industry

Why This Works

The jet pump mixing concept exploits available differential pressure in the building network. Like a control valve, it regulates temperature—but with the added benefit of active admixture & circulation driven by the Jetomat injection effect, ensuring responsive control & proper hygiene without overheating the exchanger. In practice, this means stable domestic hot-water at ~60 °C without burdening equipment with unnecessary high primary temperatures.

Takeaway

For campuses that need dependable, hygienic heating systems, a flow-through hot-water system with jet-pump (Jetomat) mixing offers a proven path to better heat transfer at partial load, lower return temperatures, & simpler hydraulics—all while protecting equipment & improving controllability across the full load range

Project Details

Location: Germany (eastern region)

Technology: Water heating system (flow-through + jet pump mixing)

Industry: Pharmaceuticals

Company: Bayer

Previous
Previous

DS Smith (Ghent, Belgium) Improved Corrugator Control & Saved Energy with Baelz Controls

Next
Next

Food & Beverage Plant in Spain Fixed a Faulty Steam Ejector & Unlocked Fast Savings